Neues Tragkraftspritzenfahrzeug-Wasser
(Florian Brachttal 5-48-1)

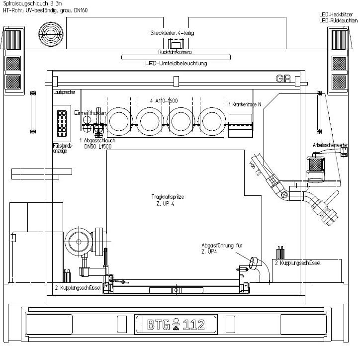
Aktuell wird das neue Tragkraftspritzenfahrzeug-Wasser (TSF-W) für die Feuerwehr Udenhain beim Aufbauhersteller BTG
in Görlitz gefertigt. Bereits Anfang Juni waren der Leiter der Feuerwehr Brachttal, gemeinsam mit dem Udenhainer Wehrführer nach Görlitz zur abschließenden Aufbaubesprechung gereist. Das Fahrgestell und auch die neue Beladung standen zu diesem Zeitpunkt bereits in Görlitz auf dem Hof. Der Aufbau ist zwischenzeitlich angefertigt worden und befindet sich im Ausbau. Sobald dies abgeschlossen ist, erfolgt durch den Technischen Prüfdienst Hessen vor Ort die Abnahme. Geplant ist die Auslieferung des neuen Fahrzeugs an die Feuerwehr bis Mitte August 2021. Es löst dann, mit einem 750 Litern fassenden Löschwassertank an Bord, das inzwischen 29 Jahre alte TSF-W aus der ehemaligen "Feuerwehr-Fahrzeugschmiede" FGL Luckenwalde im Einsatzdienst ab.
Teilen:








